- 希思气体分析预处理系统涡流冷凝器XS-PP-01
详细信息
品牌:希思 加工定制:是 型号:XS-PP-01 形式:涡冷 应用领域:气体在线监测分析预处理 涡流冷凝器XS-PP-01
- 304不锈钢外壳,耐腐蚀,不易磨损。
- 仅使用压缩空气作为动力,节能环保。
- 无需化学冷媒,不产生任何有害异物。
- 无需提供电源,本质安全防爆。
- 无射频/电磁干扰,产品安全可靠。
- 瞬时冷却,降温除湿效果佳。
- 体积小重量轻,便于安装和集成。
- 免维护,使用寿命长。
- 内置消声器,噪音很低。
- 实时显示冷却腔温度。
概 述:
随着自动化技术水平的不断提高,涡流冷凝器在气体在线分析仪表领域得到了广泛应用(特别是在处理高温高湿的气体时)。例如在石油化工行业、RTO焚烧炉可燃气体在线监测行业,在气体进入分析仪之前,需要先对高温气体进行冷却,防止高温高湿样气对分析仪内部精密的检测器等元件造成损坏,为分析仪器在线监测提供了可靠保证。涡流冷凝器是主要用于石油化工行业和易燃易爆场所。
工作原理:
涡流冷凝器是一款以空气动力学和能量守恒定律为原理,采用涡旋制冷技术而设计的防爆型气体除湿器。现场需提供压缩空气,当压缩空气进入涡流室,会分离成热气和冷气两部分,其分离比可以通过调节阀调节。
主要应用:
反应釜氧含量分析在线监测
石油化工高温气体在线监测
VOC挥发性有机物在线监测
过程气体分析类仪表在线监测
高温高湿的气体监测
CMES烟气在线监测
XS-PP-001涡流冷凝器主要用于化工行业和易燃易爆场所,气体在线取样分析的气样冷却除水,为分析仪器对样气分析提供了保证。有效的保证了易燃易爆场所对冷凝器的要求,既安全又方便。
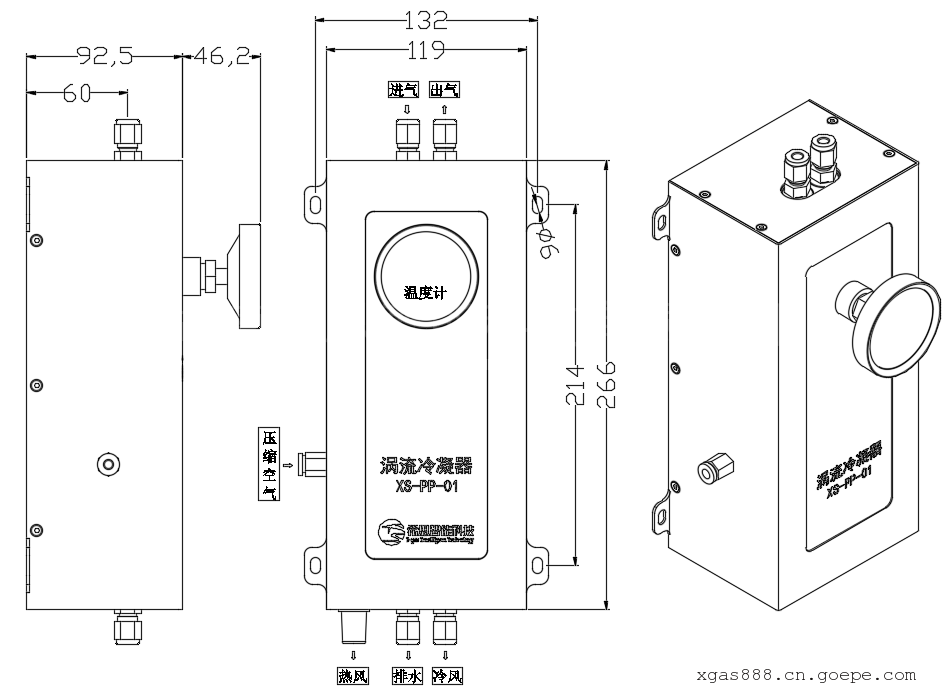
主要参数 参数规格 壳体材质 304不锈钢 冷腔材质 304不锈钢 工作环境温度 +2~50 ℃ 动力源要求 无水、无油、露点低的压缩空气 压缩空气压力 0.4~0.69MPa *大耗气量 227SLPM (标准升每分钟) *低温度 -10℃(冷风口),可调 降温速度 秒级制冷,瞬间降温 温度计范围 -40~80℃ 样气进气流量 0-5L/min,建议 <1L/min冷凝效果更佳 内部样气管 不锈钢螺旋管(接触面积大制冷效果佳) 进气口规格 卡套 6mm接头 ,G1/8内螺纹 出气口规格 卡套6mm接头 ,G1/8内螺纹 热风口规格 配消声器 冷风口规格 G1/8内螺纹(不配接头) 排水口规格 快拧6mm接头,G1/4内螺纹,
需另配自动排水装置出气口噪音 65分贝(配消音器) 维护周期 大于180天,免维护 安装方式 背板安装(214*132mm,M6螺丝固定) 产品重量 3.5 Kg 外形尺寸 266*119*138mm(不含气嘴)
外形结构及接口定义:
(单位:mm)
应用示意图: -











